Hyundai Sonata LF: Body Electrical System / Power Door Mirrors

Hyundai Sonata LF 2014-2019 Service Manual / Body Electrical System / Power Door Mirrors

Components and Components Location

Component Location

1. Power door mirror
2. Power door mirror switch
3. Power folding mirror switch

Power Door Mirror Switch Components and Components Location

Components

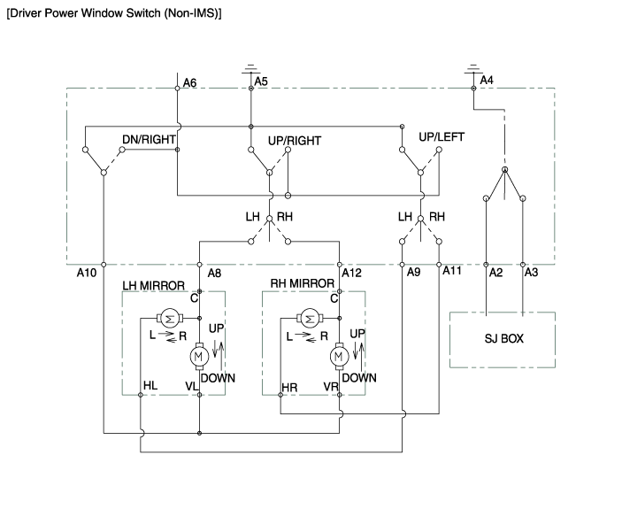
Power Door Mirror Switch Schematic Diagrams

Circuit Diagram

Power Door Mirror Switch Repair procedures

Inspection
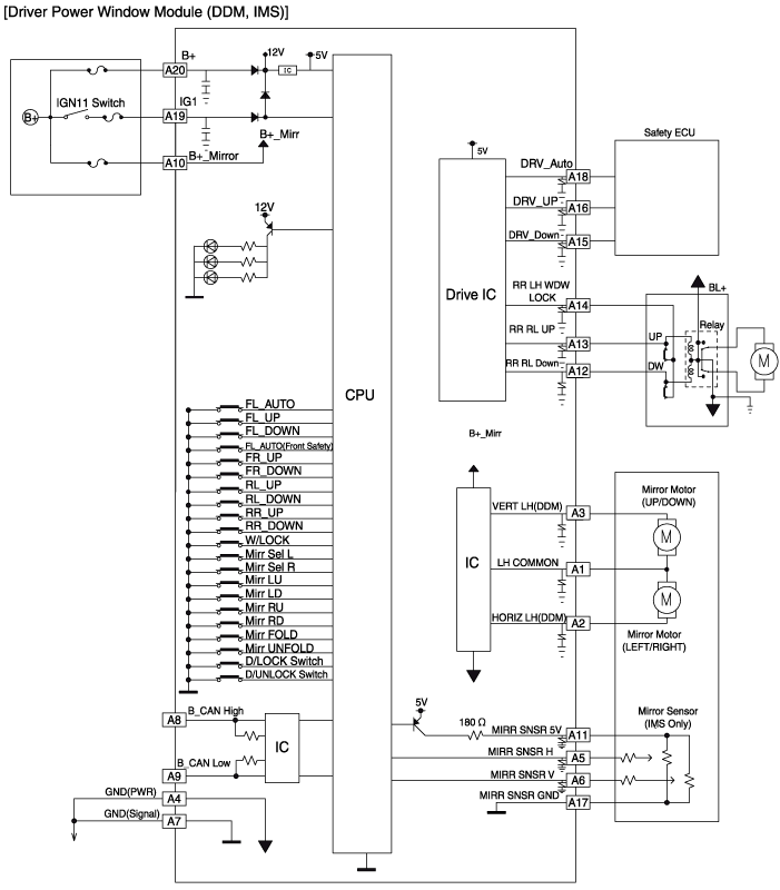
[Power Window Module (IMS)]
1.
Disconnect the negative (-) battery terminal.
2.
Remove the front left door trim.
(Refer to Body - "Front Door Trim")
3.
Disconnect the power mirror switch connector from the door trim.

4.
Check for continuity between the terminals in each switch position according to the table.
[Power Mirror Switch]

[Power Folding Mirror Switch]

Diagnosis with GDS
1.
The body electrocal system can be quickly diagnosed failed parts with vehicle diagnostic system (GDS).
The diagnostic system (GDS) provides the following information.
(1)
Self diagnosis : Checking the failure code (DTC) and display
(2)
Current data : Checking the system input/output data state
(3)
Actuation test : Checking the system operation condition
(4)
Additional function : Other controlling such as he system option and zero point
2.
Select the "Car Model" and the system to be checked in order to check the vehicle with the tester.
3.
Select the "Body Control Module (BCM)" to check the driver seat or assistant door module (DDM/ADM).
4.
Select the "Current Data" menu to search the current state of the input/output data.
The input/output data for the sensors corresponding to the driver seat or assistant door module(DDM/ADM) can be checked.

5.
If you will check the power door lock operation forcefully, select "Actuation Test".
Removal
   
•
Be careful not to scratch the door trim and other parts.
•
Use caution in keeping and handling during disassembling/assembling because it is easily contaminated with lubricant and oil.
Driver / Assist Power Window Switch
1.
Disconnect the negative (-) battery terminal.
2.
Remove the front door trim.
(Refer to Body - "Front Door Trim")
3.
Remove the power window switch assembly after disengaging the mounting clips.

   
-
Replace any damaged clips.

Driver Power Window Switch
1.
Disconnect the negative (-) battery terminal.
2.
Remove the front door trim.
(Refer to Body - "Front Door Trim")
3.
Remove the power window switch assembly after disengaging the mounting clips.

   
-
Replace any damaged clips.

Installation
1.
Install the power window switch assembly.
2.
Install the front door trim after connect the connector.
3.
Connect the negative (-) battery terminal.

Power Door Mirror Actuator Components and Components Location

Components

1. BSD Indicator
2. Side repeater lamp
3. Puddle lamp

Power Door Mirror Actuator Repair procedures

Inspection
1.
Disconnect the negative (-) battery terminal.
2.
Remove the front door quadrant inner cover (A).

3.
Disconnect the power door mirror connector from the harness.

4.
Apply battery voltage to each terminal as shown in the table and verify that the mirror operates properly.
[Mirror Control (LH/RT)]

[Puddle Lamp]

[BSD Indicator]

[Mirror Heater]

[Side Repeater Lamp]

Diagnosis with GDS
1.
The body electrocal system can be quickly diagnosed failed parts with vehicle diagnostic system (GDS).
The diagnostic system (GDS) provides the following information.
(1)
Self diagnosis : Checking the failure code (DTC) and display
(2)
Current data : Checking the system input/output data state
(3)
Actuation test : Checking the system operation condition
(4)
Additional function : Other controlling such as he system option and zero point
2.
Select the "Car Model' and the system to be checked in order to check the vehicle with the tester.
3.
Select the "Body Control Module (BCM)" to check the driver seat or assistant door module (DDM/ADM).
4.
Select the "Current Data" menu to search the current state of the input/output data.
The input/output data for the sensors corresponding to the driver seat or assistant door module(DDM/ADM) can be checked.

5.
If you will check the power door lock operation forcefully, select "Actuation Test".

    Power Door Locks

    Components and Components Location Component Location 1. DDM (Driver Door Module)2. ADM (Assist Door Module)3. SJB (Smart Junction Block)4. Door lock knob5...

    Power Windows

    ..

    Other information:

    Hyundai Sonata LF 2014-2019 Service Manual: Repair procedures


    Refrigerant System Service Basics Refrigerant Recovery Use only service equipment that is U.L-listed and is certified to meet the requirements of SAE J2210 to remove HFC-134a (R-134a) from the air conditioning system.     • Air conditioning refrigerant or lubricant vapor can irritate your eyes, nose, or throat...

    Hyundai Sonata LF 2014-2019 Service Manual: Stop Lamp Switch Troubleshooting


    Troubleshooting 1. Part diagnosis Items Cause Symptom Switch fuse Faulty fuse connection, Damaged fuse - DTC Code : P0504 - Symptom : Shifting gear trouble, Starting failure, Cruise control function cancelation trouble, EPB function cancelation trouble, Stop lamp lighting trouble, ESP OFF light illuminated...

    Categories

    read more

     
    Copyright © 2026 www.hsonatalf.org